Home
Unternehmen
Leistungen
Projekte
Wohnbau
Öffentliche Bauten
Umbauten & Sanierungen
Siedlungswasserbau
Gewerbe & Industrie
Brückenbau
Sonderprojekte
Kontakt & Impressum
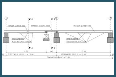
Behelfsbrücken für Neubau Bahnhof Strasshof
Juli 2011 bis April 2012
HARRER&HARRER ZT GMBH
A-3500 Krems, Braunsdorferstraße 17; Tel.: 02732/412 80, Fax: DW 22 A-1160 Wien, Friedmanngasse 28/3-5; Tel.: 01/408 34 44, Fax: DW 22 UID ATU56623425; FN 228919X